电波浪
首页
题库
文章
工具
关于我们
下载APP
题库
/
C类证书
/
题目 MC1-1173
第 1080 题 / 共 1282 题
段落: 4.4.1
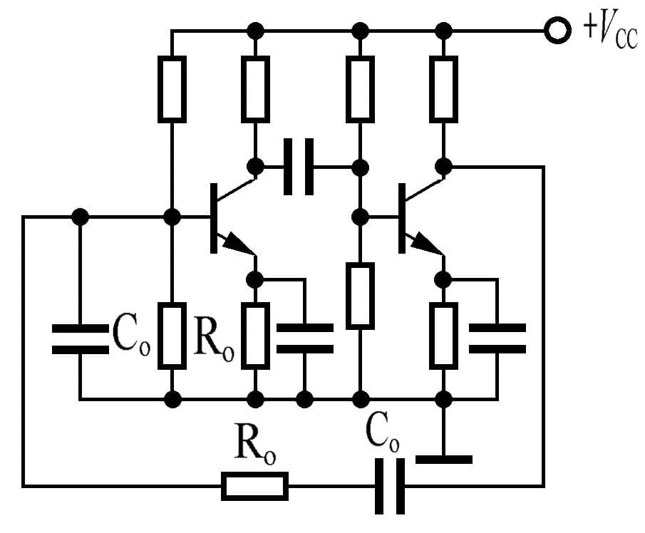
下列电路是一个:
A
RC 反馈式振荡器
✓ 正确答案
B
电容三点式振荡器
C
电感三点式振荡器
D
电感反馈式振荡器
选择题目 (1282题)
← 上一题
收藏
返回题库
下一题 →
更多刷题功能(模拟考试 错题本等) 请使用 电波浪手机APP
App Store 下载
Android 下载
下列电路是一个:... - C类证书 题目 MC1-1173